హోమ్ > ఉత్పత్తులు > వెల్డింగ్ గింజలు > వెల్డింగ్ స్క్రూ > మెట్రిక్ థ్రెడ్‌తో వెల్డ్ స్క్రూ
        మెట్రిక్ థ్రెడ్‌తో వెల్డ్ స్క్రూ
        • మెట్రిక్ థ్రెడ్‌తో వెల్డ్ స్క్రూమెట్రిక్ థ్రెడ్‌తో వెల్డ్ స్క్రూ
        • మెట్రిక్ థ్రెడ్‌తో వెల్డ్ స్క్రూమెట్రిక్ థ్రెడ్‌తో వెల్డ్ స్క్రూ
        • మెట్రిక్ థ్రెడ్‌తో వెల్డ్ స్క్రూమెట్రిక్ థ్రెడ్‌తో వెల్డ్ స్క్రూ

        మెట్రిక్ థ్రెడ్‌తో వెల్డ్ స్క్రూ

        మెట్రిక్ థ్రెడ్తో వెల్డ్ స్క్రూ మెటల్ ఉపరితలానికి వెల్డింగ్ కోసం ఉపయోగించబడుతుంది, ఆపై మెట్రిక్ థ్రెడ్లు ఇతర భాగాలను కనెక్ట్ చేయడానికి ఉపయోగిస్తారు. Xiaoguo® కంపెనీ స్టాక్‌లో తగినంత వస్తువుల ఇన్వెంటరీని కలిగి ఉంది. అవి మెటల్ తయారీ, ఆటోమోటివ్ ప్యానెల్లు లేదా పారిశ్రామిక ఫ్రేమ్‌లకు అనుకూలంగా ఉంటాయి.
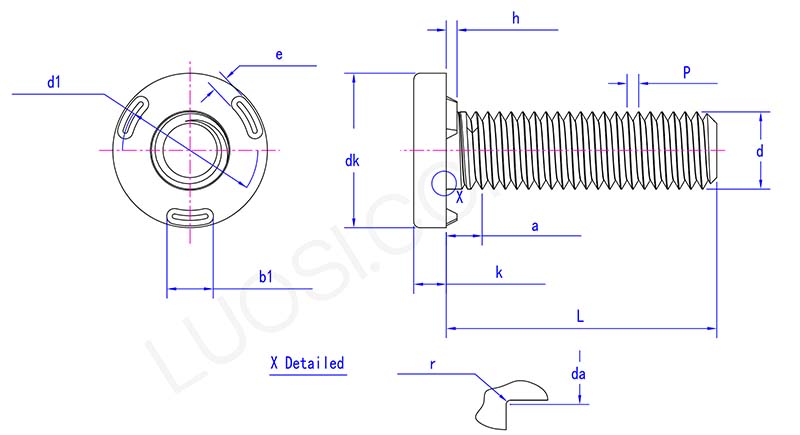
        మోడల్:DIN 34817-2001

        విచారణ పంపండి

        ఉత్పత్తి వివరణ

        సోమ
        M5 M6 M8 M10 M12 M14
        P
        0.8 1 1.25 1.5 1.5 1.5
        గరిష్టంగా
        2.4 2.8 3.7 4.4 4.6 4.6
        dk గరిష్టంగా
        10 12 16 20 24 28
        dk నిమి
        9.64 11.57 15.57 19.48 23.48 27.48
        d1 నిమి
        7.85 9.75 13.25 17.15 21.15 25.20
        d1 గరిష్టంగా
        8.21 10.11 13.68 17.58 21.67 25.72
        h గరిష్టంగా
        0.8 0.8 1.2 1.4 1.6 1.6
        h నిమి
        0.7 0.7 1.1 1.3 1.5 1.5
        k గరిష్టంగా
        2.2 2.7 3.2 4.2 5 5.8
        k నిమి
        1.8 2.3 2.8 3.8 4.6 5.4
        r నిమి
        0.1 0.15 0.15 0.15 0.15 0.2
        ఇ గరిష్టంగా
        1.7 1.7 2.2 2.2 2.2 2.7
        ఇ నిమి
        1.3 1.3 1.8 1.8 1.8 2.3
        b1 గరిష్టంగా
        3.9 4.4 5.9 7.9 9.4 11.5
        b1 నిమి
        3.1 3.6 5.1 7.1 8.6 10.5
        గరిష్టంగా
        5.3 6.4 8.4 10.5 13 15

        మెట్రిక్ థ్రెడ్‌తో వెల్డ్ స్క్రూ వెల్డింగ్ ద్వారా వర్క్‌పీస్‌కు స్థిరంగా ఉంటుంది. ఈ రకమైన స్క్రూ హెడ్ మరియు నాన్-హెడ్ స్టైల్‌లలో వస్తుంది. థ్రెడ్ ప్రకారం, దీనిని బాహ్య థ్రెడ్ వెల్డెడ్ స్క్రూలు మరియు అంతర్గత థ్రెడ్ వెల్డెడ్ స్క్రూలుగా వర్గీకరించవచ్చు. స్పెసిఫికేషన్‌లు సాధారణంగా M5 నుండి M14 వరకు ఉంటాయి.

        Weld screw with metric thread parameter

        లో ఉపయోగించవచ్చు

        మెట్రిక్ థ్రెడ్లతో వెల్డ్ స్క్రూలు ఎగ్సాస్ట్ బ్రాకెట్లను రిపేరు చేయడానికి ఉపయోగిస్తారు. ఉంటేబోల్ట్ఎగ్జాస్ట్ బ్రాకెట్ యొక్క రంధ్రాలు ధరిస్తారు, వాటిని ఉపయోగించడం ద్వారా వాటిని మరమ్మత్తు చేయవచ్చు. ఫ్రేమ్‌లోని స్పాట్ వెల్డ్ పాయింట్‌లను శుభ్రం చేయండి, స్క్రూలను ఇన్‌స్టాల్ చేయండి మరియు దుస్తులను ఉతికే యంత్రాలపై రంధ్రాల ద్వారా స్పాట్ వెల్డింగ్ చేయండి. బోల్ట్‌లతో బ్రాకెట్‌ను బిగించండి. దీనికి 3 నిమిషాలు మాత్రమే పడుతుంది మరియు రీడ్రిల్ లేదా ట్యాప్ చేయాల్సిన అవసరం లేదు. ఇది రోడ్డు ప్రకంపనలను వదులుకోకుండా తట్టుకోగలదు.

        మెట్రిక్ థ్రెడ్తో వెల్డ్ స్క్రూ కన్వేయర్ బ్రాకెట్లను అప్గ్రేడ్ చేయడానికి ఉపయోగించబడుతుంది. మీరు ఇప్పటికే ఉన్న కన్వేయర్‌కు సెన్సార్‌లను జోడించాల్సిన అవసరం ఉంటే, బ్రాకెట్‌లను త్వరగా ఇన్‌స్టాల్ చేయడానికి వాటిని ఉపయోగించండి. అవసరమైన ఫ్రేమ్ గైడ్ పట్టాలకు M8 స్క్రూలను వెల్డ్ చేయండి. కీలక నిర్మాణాలకు రంధ్రాలు చేయాల్సిన అవసరం లేదు. సెన్సార్ బ్రాకెట్ నేరుగా బోల్ట్‌లతో కొత్త థ్రెడ్‌కు పరిష్కరించబడింది. ఇది పునరుద్ధరణ మరియు సంస్థాపన సమయంలో రీవైరింగ్ కోసం అవసరమైన సమయాన్ని ఆదా చేస్తుంది.

        హైడ్రాలిక్ పైపింగ్‌ను వ్యవస్థాపించడానికి వెల్డ్ స్క్రూలు ఉపయోగించబడతాయి. పరికరాలపై హైడ్రాలిక్ గొట్టం బిగింపును పరిష్కరించాల్సిన అవసరం ఉంటే, వాటిని ఉపయోగించడం వల్ల వణుకు నిరోధించవచ్చు. ప్రతి 18 అంగుళాల ఫ్రేమ్‌తో పాటు M6 స్క్రూలను వెల్డ్ చేయండి. ఫిక్చర్ బ్రాకెట్ నేరుగా బోల్ట్‌లతో స్క్రూకు స్థిరంగా ఉంటుంది. అవి షీట్ మెటల్ స్క్రూల కంటే మెరుగైన నిరంతర కంపనాన్ని తట్టుకోగలవు. ఘర్షణ కారణంగా గొట్టం ధరించకుండా నిరోధించండి.

        ఉత్పత్తి లక్షణాలు

        మెట్రిక్ థ్రెడ్తో వెల్డ్ స్క్రూ యొక్క లక్షణం వెల్డింగ్ ఫిక్సేషన్ పద్ధతిని ఉపయోగించడంలో ఉంటుంది. సాధారణ మెకానికల్ కనెక్షన్‌తో పోలిస్తే, వెల్డింగ్ అనేది స్క్రూలను తయారు చేయగలదు మరియు బేస్ మెటీరియల్ దాదాపుగా ఏకీకృతమై గట్టి బంధాన్ని ఏర్పరుస్తుంది. మెట్రిక్ థ్రెడ్‌ల రూపకల్పనను గింజలు లేదా అంతర్గత థ్రెడ్‌లతో కూడిన భాగాలతో సౌకర్యవంతంగా సరిపోల్చవచ్చు, భవిష్యత్తులో ఇతర భాగాల సంస్థాపనను సులభతరం చేస్తుంది. అంతేకాకుండా, థ్రెడ్‌ల యొక్క డైమెన్షనల్ ఖచ్చితత్వం మెట్రిక్ ప్రమాణాలకు అనుగుణంగా ఉంటుంది, ఇది అత్యంత బహుముఖంగా ఉంటుంది.

        హాట్ ట్యాగ్‌లు: మెట్రిక్ థ్రెడ్‌తో వెల్డ్ స్క్రూ, చైనా, తయారీదారు, సరఫరాదారు, ఫ్యాక్టరీ
        సంబంధిత వర్గం
        విచారణ పంపండి
        దయచేసి దిగువ ఫారమ్‌లో మీ విచారణను ఇవ్వడానికి సంకోచించకండి. మేము మీకు 24 గంటల్లో ప్రత్యుత్తరం ఇస్తాము.
        X
        మీకు మెరుగైన బ్రౌజింగ్ అనుభవాన్ని అందించడానికి, సైట్ ట్రాఫిక్‌ను విశ్లేషించడానికి మరియు కంటెంట్‌ను వ్యక్తిగతీకరించడానికి మేము కుక్కీలను ఉపయోగిస్తాము. ఈ సైట్‌ని ఉపయోగించడం ద్వారా, మీరు మా కుక్కీల వినియోగానికి అంగీకరిస్తున్నారు. గోప్యతా విధానం
        తిరస్కరించు అంగీకరించు