కోసంబోల్ట్ స్థిరీకరణతో కాలర్ లాకింగ్, మీకు అవసరమైన వాటి ఆధారంగా మీరు పదార్థాలను ఎంచుకోవచ్చు. కార్బన్ స్టీల్ (SAE 1070/1095 వంటిది) మీకు కఠినమైన ఉద్యోగాల కోసం బలమైన పదార్థం అవసరమైనప్పుడు ఉపయోగించబడుతుంది. స్టెయిన్లెస్ స్టీల్ (AISI 304/316) వస్తువులు తుప్పు పట్టే లేదా తుప్పు పట్టే ప్రదేశాలలో బాగా పని చేస్తుంది. టైటానియం మిశ్రమాలు ఏరోస్పేస్ వస్తువులకు మంచివి, అక్కడ అవి తేలికగా కానీ బలంగా ఉంటాయి. విపరీతమైన ఉష్ణోగ్రతలు, నిజంగా వేడిగా లేదా నిజంగా చల్లగా ఉండే పరిస్థితుల కోసం Inconel® వంటి ప్రత్యేక అంశాలు కూడా ఉన్నాయి.
వారు ప్రతి మెటీరియల్ని నిలుపుకున్నారని నిర్ధారించుకోవడానికి జాగ్రత్తగా పరీక్షిస్తారు-అది విరిగిపోకుండా (1500 MPa వరకు) ఎంత సాగుతుంది మరియు కాలక్రమేణా అది ఎంత దుస్తులు ధరించగలదో తనిఖీ చేస్తుంది. వివిధ రకాలైన మెటీరియల్స్ అంటే ఈ రిటైనింగ్ రింగ్ సూపర్ చలి ప్రదేశాల నుండి అధిక వేడి ఫ్యాక్టరీల వరకు చాలా విభిన్న వాతావరణాలలో పని చేస్తుంది.
జాగ్రత్తలు తీసుకుంటున్నారుబోల్ట్ స్థిరీకరణతో కాలర్ లాకింగ్అంటే బోల్ట్ బిగుతు, ఉపరితల అరిగిపోవడం లేదా తుప్పు పట్టడంపై క్రమం తప్పకుండా తనిఖీలు చేయడం. నిర్వహణ సమయంలో, తయారీదారు సిఫార్సు చేసిన టార్క్కు (సాధారణంగా 20-50 Nm) బోల్ట్లను బిగించండి. చెత్తను తుడిచివేయడానికి సున్నితమైన క్లీనర్లను ఉపయోగించండి మరియు తర్వాత తీయడం సులభతరం చేయడానికి థ్రెడ్లపై కొంత యాంటీ-సీజ్ గ్రీజును ఉంచండి. మీరు పగుళ్లు కనిపిస్తే లేదా రింగ్ తప్పుగా ఉంటే, దాన్ని మార్చుకోండి. రింగులను ఇన్స్టాల్ చేసే ముందు వాటిని పాడవకుండా ఉంచడానికి నియంత్రిత ఉష్ణోగ్రతతో పొడి ప్రదేశంలో నిల్వ చేయండి. ఈ దినచర్యను కొనసాగించడం వలన వారు ఉత్తమంగా పని చేయడంలో సహాయపడుతుంది మరియు వాటిని 30% వరకు ఎక్కువ కాలం ఉండేలా చేయవచ్చు.

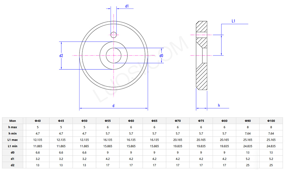
ప్ర: a యొక్క సరైన పరిమాణాన్ని నేను ఎలా గుర్తించగలనుబోల్ట్ స్థిరీకరణతో కాలర్ లాకింగ్నా షాఫ్ట్ వ్యాసం కోసం?
జ: సరైనదాన్ని ఎంచుకోవడంబోల్ట్ స్థిరీకరణతో కాలర్ లాకింగ్మీ షాఫ్ట్ మందం (OD) మరియు థ్రెడ్ రకంపై ఆధారపడి ఉంటుంది. మీ షాఫ్ట్ యొక్క మందాన్ని కొలవడం ద్వారా ప్రారంభించండి మరియు దానిని తయారీదారు సైజు గైడ్తో సరిపోల్చండి. గమనించవలసిన ముఖ్య విషయాలు: కాలర్ లోపలి పరిమాణం షాఫ్ట్ థ్రెడ్లు, బోల్ట్ పరిమాణం మరియు కాలర్ ఎంత చంకీగా ఉందో సరిపోలాలి. మీ షాఫ్ట్ థ్రెడ్ చేయకపోతే, మీరు ముందుగా థ్రెడ్లను జోడించాలి. థ్రెడ్లు మెట్రిక్ లేదా ఇంపీరియల్ అని ఎల్లప్పుడూ రెండుసార్లు తనిఖీ చేయండి - వాటిని కలపడం తలనొప్పికి కారణమవుతుంది. బేసి-పరిమాణ షాఫ్ట్ల కోసం, అనుకూల కాలర్లు ఉన్నాయి కానీ వాటికి అదనపు సమయం మరియు డబ్బు పడుతుంది.
మా బోల్ట్-ఫిక్స్డ్ లాకింగ్ కాలర్లు ప్రధానంగా కార్బన్ స్టీల్తో తయారు చేయబడ్డాయి. మేము ఈ మెటీరియల్ని ఎంచుకుంటాము ఎందుకంటే ఇది మంచి మొండితనాన్ని మరియు దుస్తులు నిరోధకతను కలిగి ఉంటుంది, ఇది ఉత్పత్తి యొక్క ప్రాథమిక వినియోగ అవసరాలను తీర్చగలదు.
ఉత్పత్తులు కర్మాగారం నుండి బయలుదేరే ముందు, మేము వాటి ఉపరితలాలను యాంటీ-రస్ట్ లేయర్తో పూస్తాము. ఈ చికిత్స కాలర్లను తేమతో కూడిన వాతావరణంలో ఉపయోగించినప్పుడు లేదా ఎక్కువ కాలం నిల్వ ఉంచినప్పుడు తుప్పు పట్టకుండా చేస్తుంది.
మెరుగైన తుప్పు నిరోధకత అవసరమయ్యే కస్టమర్ల కోసం మా వద్ద స్టెయిన్లెస్ స్టీల్ వంటి ఐచ్ఛిక పదార్థాలు కూడా ఉన్నాయి. ఉత్పత్తి యొక్క మెటీరియల్ మందం ప్రామాణిక లోడ్-బేరింగ్ అవసరాల ఆధారంగా రూపొందించబడింది, కాబట్టి ఇది సాధారణ ఉపయోగంలో వైకల్యం లేదా విచ్ఛిన్నం కాదు.
బోల్ట్ భాగం కాలర్ వలె అదే పదార్థంతో తయారు చేయబడింది, కాబట్టి మొత్తం ఉత్పత్తి స్థిరమైన పనితీరు మరియు స్థిరత్వాన్ని కలిగి ఉంటుంది.
మా బోల్ట్-ఫిక్స్డ్ లాకింగ్ కాలర్ల షిప్పింగ్ ఖర్చు మీరు వాటిని ఎక్కడికి పంపుతున్నారు, మీరు ఏ షిప్పింగ్ పద్ధతిని ఎంచుకున్నారు మరియు మీరు ఎన్ని ఆర్డర్లు చేస్తున్నారు అనే దానిపై ఆధారపడి ఉంటుంది.
మీరు ప్రామాణిక లాజిస్టిక్స్తో వెళితే, ధర తక్కువగా ఉంటుంది, కానీ డెలివరీకి కొంచెం ఎక్కువ సమయం పడుతుంది-సాధారణంగా 3 నుండి 7 పని రోజులు. రష్ ఆర్డర్ల కోసం, మీరు ఎక్స్ప్రెస్ డెలివరీని ఎంచుకోవచ్చు, కానీ దానికి ఎక్కువ ఖర్చు అవుతుంది. షిప్మెంట్ ఎంత దూరం వెళ్లాలి అనే దానిపై ఖచ్చితమైన అదనపు ఛార్జీ ఆధారపడి ఉంటుంది.
మీ ఆర్డర్ నిర్దిష్ట పరిమాణాన్ని చేరుకున్నప్పుడు, మేము మీ కోసం షిప్పింగ్ ఖర్చును భరిస్తాము. ప్రతి ఉత్పత్తి చిన్నది మరియు తేలికైనది, కాబట్టి చిన్న-బ్యాచ్ ఆర్డర్లకు కూడా అధిక షిప్పింగ్ ఫీజులు ఉండవు.
మేము ఏదైనా పంపించే ముందు, రవాణా సమయంలో నష్టం జరగకుండా కాలర్లను సరిగ్గా ప్యాక్ చేస్తాము. మరియు ఈ ప్యాకేజింగ్ ధర ఇప్పటికే షిప్పింగ్ ఫీజులో చేర్చబడింది-దీని కోసం మీరు అదనపు చెల్లించాల్సిన అవసరం లేదు.
మీరు ఖచ్చితమైన షిప్పింగ్ ధరను తెలుసుకోవాలనుకుంటే, మా కస్టమర్ సేవా బృందాన్ని అడగండి. వారు మీ నిర్దిష్ట ఆర్డర్ వివరాల ఆధారంగా దాన్ని గణిస్తారు.
Q: బోల్ట్ ఫిక్సేషన్తో మీ లాకింగ్ కాలర్ కోసం MOQ మరియు లీడ్ టైమ్ ఎంత, మరియు మీరు బల్క్ ఆర్డర్ డిస్కౌంట్లను అందిస్తారా?
A: బోల్ట్ ఫిక్సేషన్తో కూడిన స్టాండర్డ్ లాకింగ్ కాలర్ కోసం కనీస ఆర్డర్ పరిమాణం (MOQ) 300 పీస్లు, సాధారణ ఆర్డర్ల కోసం 7–10 పనిదినాల ప్రధాన సమయం ఉంటుంది. 5000 పీస్ల కంటే ఎక్కువ బల్క్ ఆర్డర్ల కోసం, మీ సేకరణ ఖర్చులను తగ్గించడానికి మేము టైర్డ్ డిస్కౌంట్లను (3%–10% తగ్గింపు) అందిస్తాము. బోల్ట్ ఫిక్సేషన్తో అనుకూలీకరించిన లాకింగ్ కాలర్ 500 ముక్కల MOQ మరియు నమూనా ధ్రువీకరణ మరియు ఉత్పత్తి షెడ్యూలింగ్తో సహా 12–18 పని దినాల ప్రధాన సమయాన్ని కలిగి ఉంటుంది.