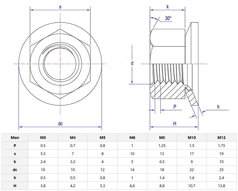
హెక్స్ గింజలు మరియు టేపర్ వాషర్ అసెంబ్లీsఅసమాన లేదా కోణ ఉపరితలాలకు అనుకూలం.షడ్భుజి గింజలుబోల్ట్ల కోసం ప్రామాణిక థ్రెడ్లను అందించండి, అయితే దెబ్బతిన్న దుస్తులను ఉతికే యంత్రాలు భద్రత కోసం తగిన వాలు లేదా క్లియరెన్స్కు సర్దుబాటు చేయబడతాయి.

దిహెక్స్ గింజలు మరియు టేపర్ వాషర్ సమావేశాలుప్రామాణిక థ్రెడ్ను ప్రదర్శించండి, దెబ్బతిన్న ఉతికే యంత్రం 10-15 డిగ్రీల వరకు సర్దుబాటును అనుమతించే కోణ ఉపరితలం కలిగి ఉంటుంది. ఉతికే యంత్రం యొక్క విస్తృత స్థావరం భారాన్ని సమానంగా పంపిణీ చేస్తుంది మరియు అసెంబ్లీ మెట్రిక్ లేదా ఇంపీరియల్ బోల్ట్లతో పనిచేస్తుంది. ఇది ఫ్లాట్ వాషర్ కంటే పెద్దది, కానీ అమరిక సవాళ్లను పరిష్కరిస్తుంది.
ఉపయోగంహెక్స్ గింజలు మరియు టేపర్ వాషర్ అసెంబ్లీesభద్రతబోల్ట్స్వాలుగా లేదా సక్రమంగా లేని ఉపరితలాలపై. ఇది వంపుతిరిగిన స్టీల్ కిరణాలపై బ్రాకెట్లను మౌంట్ చేయగలదు, అసమాన కాంక్రీటుపై పరికరాలను వ్యవస్థాపించగలదు లేదా రాతి అంతస్తులపై సురక్షితమైన యంత్ర కాళ్ళను వ్యవస్థాపించగలదు. ఇది పాత నిర్మాణాలను కాలక్రమేణా స్థిరపడటం లేదా వంగే ఉపరితలాలతో రెట్రోఫిట్ చేయడం కూడా సులభం చేస్తుంది.
Hమాజీ కాయలు మరియు టేపర్ వాషర్ సమావేశాలునిర్మాణంలో (స్టీల్ కిరణాలు, పరంజా), రైలు వ్యవస్థలు (ట్రాక్ బందు) మరియు వ్యవసాయ యంత్రాలు (అసమాన భూభాగంపై జోడింపులు) సాధారణం. అవి యుటిలిటీ స్తంభాలు, సోలార్ ప్యానెల్ మౌంట్లు మరియు డెక్ బిల్డింగ్ వంటి DIY ప్రాజెక్టులలో కూడా ఉపయోగించబడతాయి. ఎక్కడైనా బోల్ట్లు కోణ లేదా కఠినమైన ఉపరితలాలను కలుస్తాయి, ఈ కాంబో విషయాలు గట్టిగా ఉంచుతుంది.

| మార్కెట్ |
మొత్తం ఆదాయం (%) |
| ఉత్తర అమెరికా |
10 |
| తూర్పు ఐరోపా |
23 |
| ఆగ్నేయాసియా |
3 |
| మిడ్ ఈస్ట్ |
5 |
| తూర్పు ఆసియా |
18 |
| పశ్చిమ ఐరోపా |
15 |
| మధ్య అమెరికా |
6 |
| దక్షిణ ఆసియా |
5 |
| దేశీయ మార్కెట్ |
15 |
హెక్స్ గింజలు మరియు టేపర్ వాషర్ సమావేశాలుతక్కువ నిర్వహణ ఖర్చులను కలిగి ఉండండి మరియు మీరు ఉత్పత్తిని తుప్పుపట్టినదా లేదా మీరు ఉపయోగించినప్పుడు ఉతికే యంత్రం వైకల్యంతో ఉందా అని మాత్రమే తనిఖీ చేయాలి. పట్టును నిర్వహించడానికి బెంట్ రబ్బరు పట్టీని మార్చాలి. అవి తీవ్రమైన కోణాలకు (15 డిగ్రీల కంటే ఎక్కువ) లేదా భారీ భ్రమణ లోడ్లకు తగినవి కావు. అవి చాలా అసమతుల్య ఉద్యోగాలకు ఖర్చుతో కూడుకున్న పరిష్కారం.