హోమ్ > ఉత్పత్తులు > బోల్ట్ > రౌండ్ హెడ్ బోల్ట్ > రౌండ్ హెడ్ రిబ్డ్ మెడ బోల్ట్‌లు
        రౌండ్ హెడ్ రిబ్డ్ మెడ బోల్ట్‌లు
        • రౌండ్ హెడ్ రిబ్డ్ మెడ బోల్ట్‌లురౌండ్ హెడ్ రిబ్డ్ మెడ బోల్ట్‌లు
        • రౌండ్ హెడ్ రిబ్డ్ మెడ బోల్ట్‌లురౌండ్ హెడ్ రిబ్డ్ మెడ బోల్ట్‌లు
        • రౌండ్ హెడ్ రిబ్డ్ మెడ బోల్ట్‌లురౌండ్ హెడ్ రిబ్డ్ మెడ బోల్ట్‌లు

        రౌండ్ హెడ్ రిబ్డ్ మెడ బోల్ట్‌లు

        Xiaoguo® ద్వారా ఉత్పత్తి చేయబడిన రౌండ్ హెడ్ రిబ్డ్ నెక్ బోల్ట్‌లు చాలా బలంగా మరియు మన్నికగా ఉంటాయి. మీరు చిన్న ఇంజన్లు, గృహోపకరణాలు లేదా ఇంట్లో DIY ప్రాజెక్ట్‌లను రిపేర్ చేస్తున్నా, ఈ బోల్ట్‌లు మిమ్మల్ని నిరాశపరచవు. మేము ఉచితంగా నమూనాలను పంపవచ్చు.
        మోడల్:ASME/ANSI B18.5-4-2008

        విచారణ పంపండి

        ఉత్పత్తి వివరణ

        గుండ్రని తల ribbed మెడ boltsఫాస్టెనర్ యొక్క వినూత్న రకం. ఇది గుండ్రని తల డిజైన్‌ను కలిగి ఉంటుంది, బోల్ట్ యొక్క థ్రెడ్ భాగం దారాలను కలిగి ఉంటుంది మరియు మెడ మధ్య భాగం పక్కటెముకలను పెంచింది. అవి సాధారణంగా కార్బన్ స్టీల్‌తో తయారు చేయబడతాయి మరియు వివిధ వినియోగ అవసరాలను తీర్చగల గాల్వనైజేషన్ మరియు బ్లాక్ ట్రీట్‌మెంట్ వంటి వివిధ ఉపరితల చికిత్సా పద్ధతులకు లోనవుతాయి.

        Round Head Ribbed Neck Bolt

        ఉత్పత్తి వివరాలు

        గుండ్రని తల పక్కటెముకల మెడ బోల్ట్‌లువదులుగా ఉన్న లాన్ మొవర్ హ్యాండిల్స్‌ను రిపేర్ చేయవచ్చు. రిబ్బెడ్ నెక్ బోల్ట్‌లు గడ్డి చిప్స్ మరియు నేల కోతను నిరోధించగలవు మరియు జిడ్డైన గ్లోవ్స్ ధరించినప్పుడు కూడా రౌండ్-హెడ్ బోల్ట్‌లు సాధారణంగా పని చేస్తాయి. గడ్డిని కత్తిరించేటప్పుడు అస్థిర పట్టు బలం గురించి ఆందోళన చెందాల్సిన అవసరం లేదు.


        ఇది ఫర్నిచర్ తయారీ పరిశ్రమలో ఉపయోగించవచ్చు.ఉదాహరణకు, ఒక ఘన చెక్క డైనింగ్ టేబుల్ తయారు చేసేటప్పుడు, టేబుల్‌టాప్ మరియు టేబుల్ కాళ్లు వేరుగా ఉంటాయి. మీరు వాటిని కనెక్ట్ చేయాలనుకుంటే, మీరు ఈ రకమైన బోల్ట్‌ను ఉపయోగించవచ్చు. దాని గుండ్రని తల టేబుల్‌టాప్‌పై నిరాశను వదిలివేయదు మరియు రిబ్బెడ్ మెడతో ఉన్న బోల్ట్ ఇన్‌స్టాలేషన్ సమయంలో బోల్ట్‌ను తిప్పకుండా నిరోధించగలదు, తద్వారా టేబుల్ కాళ్లను మరియు టేబుల్‌టాప్‌ను సులభంగా ఫిక్సింగ్ చేస్తుంది, డైనింగ్ టేబుల్‌ను దృఢంగా మరియు మన్నికైనదిగా చేస్తుంది.


        ఈ రౌండ్ హెడ్ ribbed neck bolts యొక్క అత్యంత విలక్షణమైన లక్షణం ribbed neck. ఈ ఎత్తైన పక్కటెముకలు ఇన్‌స్టాలేషన్ సమయంలో ముందుగా డ్రిల్ చేసిన రంధ్రాలలోకి చొప్పించబడతాయి, బోల్ట్ యొక్క స్థిరత్వాన్ని నిర్వహించడానికి భౌతిక ఇంటర్‌లాకింగ్ ద్వారా సాంప్రదాయ లాకింగ్ వాషర్‌లు లేదా రసాయన సంసంజనాలను భర్తీ చేయడం, వదులుగా ఉండే ప్రమాదాన్ని నివారించడం మరియు ఇన్‌స్టాలేషన్ సామర్థ్యాన్ని గణనీయంగా మెరుగుపరచడం మరియు కనెక్షన్ యొక్క స్థిరత్వాన్ని పెంచడం.

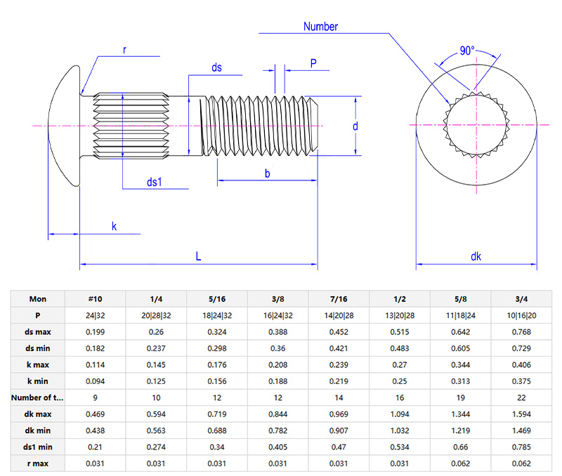
        ఉత్పత్తి పారామితులు

        Round Head Ribbed Neck Bolts


        ఉత్పత్తి విక్రయ స్థానం

        యొక్క గొప్ప ప్రయోజనంగుండ్రని తల ribbed మెడ boltsఅవి మంచి యాంటీ-లూసింగ్ ప్రభావాన్ని కలిగి ఉంటాయి మరియు ఇన్‌స్టాల్ చేయడం సులభం. దాని పక్కటెముకల మెడను పదార్థం యొక్క రంధ్రాలలోకి గట్టిగా బిగించవచ్చు. కంపనం లేదా ప్రభావానికి లోనైనప్పటికీ, దానిని వదులుకోవడం అంత సులభం కాదు మరియు కనెక్షన్ ముఖ్యంగా స్థిరంగా ఉంటుంది. రౌండ్ హెడ్ సంస్థాపన తర్వాత చాలా పొడుచుకు లేదు, ప్రదర్శన ప్రభావితం లేదు, మరియు ఇతర విషయాలు గీతలు సులభం కాదు. ఇది ఉపయోగించడానికి చాలా సౌకర్యవంతంగా ఉంటుంది.

        ఉత్పత్తి లక్షణాలు

        రౌండ్ హెడ్ రిబ్డ్ నెక్ బోల్ట్‌లు అన్ని రకాల స్పెక్స్‌లో వస్తాయి. ప్రధానమైనవి వ్యాసం మరియు పొడవు-సాధారణంగా, వ్యాసాలు 4 మిమీ నుండి 20 మిమీ వరకు మరియు పొడవు 10 మిమీ నుండి 150 మిమీ వరకు ఉంటాయి. ఇవి ప్రామాణిక పరిమాణాలు, కాబట్టి మీరు ఉపయోగించే చాలా సాధారణ ట్యాప్ చేసిన రంధ్రాలకు ఇవి సరిపోతాయి.

        గ్రేడ్‌ల విషయానికి వస్తే, కార్బన్ స్టీల్ ఎక్కువగా 4.8 మరియు 8.8లో వస్తాయి. గ్రేడ్ 4.8 సాధారణ, లైట్-లోడ్ ఉద్యోగాల కోసం, 8.8 బలమైనది మరియు భారీ లోడ్‌ల కోసం పని చేస్తుంది. స్టెయిన్‌లెస్ స్టీల్ వెర్షన్‌లు సాధారణంగా 304 లేదా 316 గ్రేడ్ ప్రమాణాలకు కట్టుబడి ఉంటాయి.

        ప్రతి బోల్ట్ దాని పరిమాణం మరియు గ్రేడ్ స్పష్టంగా గుర్తించబడింది-కుడివైపు తలపై లేదా ప్యాకేజింగ్‌పై. మీకు ప్రామాణికం కానిది ఏదైనా అవసరమైతే, మీరు దానిని సరఫరాదారుతో మాట్లాడవచ్చు. సాధారణ పారిశ్రామిక అసెంబ్లీ అవసరాలను కవర్ చేయడానికి స్పెక్స్ మరియు గ్రేడ్‌లు తయారు చేయబడ్డాయి, ప్రాథమిక ఉపయోగాల కోసం మితిమీరిన సంక్లిష్ట ఎంపికలు లేవు.


        Q&A సెషన్

        Q: రౌండ్ హెడ్ రిబ్బెడ్ నెక్ బోల్ట్‌లను వాటి పనితీరును పెంచడానికి సరిగ్గా ఎలా ఇన్‌స్టాల్ చేయాలి?

        మా రౌండ్ హెడ్ రిబ్డ్ నెక్ బోల్ట్‌ల పనితీరును పెంచడానికి, స్పిన్నింగ్ ఆపడానికి ముందుగా రిబ్బెడ్ మెడను మ్యాచింగ్ హోల్‌లోకి చొప్పించండి. సాకెట్ రెంచ్‌ను ఉపయోగించి బోల్ట్‌ను సమానంగా బిగించి అది సుఖంగా ఉండే వరకు-అతిగా బిగించడాన్ని నివారించండి, ఇది పక్కటెముకలు లేదా దారాలను దెబ్బతీస్తుంది. మృదువైన పదార్ధాల కోసం, బిగింపు శక్తిని పంపిణీ చేయడానికి మరియు ఉపరితల వైకల్యాన్ని నిరోధించడానికి ఉతికే యంత్రాన్ని జోడించండి.





        హాట్ ట్యాగ్‌లు: రౌండ్ హెడ్ రిబ్డ్ నెక్ బోల్ట్స్, చైనా, తయారీదారు, సరఫరాదారు, ఫ్యాక్టరీ
        సంబంధిత వర్గం
        విచారణ పంపండి
        దయచేసి దిగువ ఫారమ్‌లో మీ విచారణను ఇవ్వడానికి సంకోచించకండి. మేము మీకు 24 గంటల్లో ప్రత్యుత్తరం ఇస్తాము.
        X
        మీకు మెరుగైన బ్రౌజింగ్ అనుభవాన్ని అందించడానికి, సైట్ ట్రాఫిక్‌ను విశ్లేషించడానికి మరియు కంటెంట్‌ను వ్యక్తిగతీకరించడానికి మేము కుక్కీలను ఉపయోగిస్తాము. ఈ సైట్‌ని ఉపయోగించడం ద్వారా, మీరు మా కుక్కీల వినియోగానికి అంగీకరిస్తున్నారు. గోప్యతా విధానం
        తిరస్కరించు అంగీకరించు