వాలుగా ఉన్న తల బోల్ట్
      • వాలుగా ఉన్న తల బోల్ట్వాలుగా ఉన్న తల బోల్ట్
      • వాలుగా ఉన్న తల బోల్ట్వాలుగా ఉన్న తల బోల్ట్
      • వాలుగా ఉన్న తల బోల్ట్వాలుగా ఉన్న తల బోల్ట్

      వాలుగా ఉన్న తల బోల్ట్

      వాలుగా ఉన్న హెడ్ బోల్ట్ ఒక సాధారణ ఫాస్టెనర్, ఇది యంత్రాల తయారీ, నిర్మాణ పరిశ్రమ, ఆటోమొబైల్ తయారీ, మొదలైనవి. మా కస్టమర్ల నుండి రెగ్యులర్ కమ్యూనికేషన్ మరియు ఫీడ్‌బ్యాక్ ద్వారా, XIAOGUO® నిరంతరం మా సేవలను మెరుగుపరుస్తుంది.
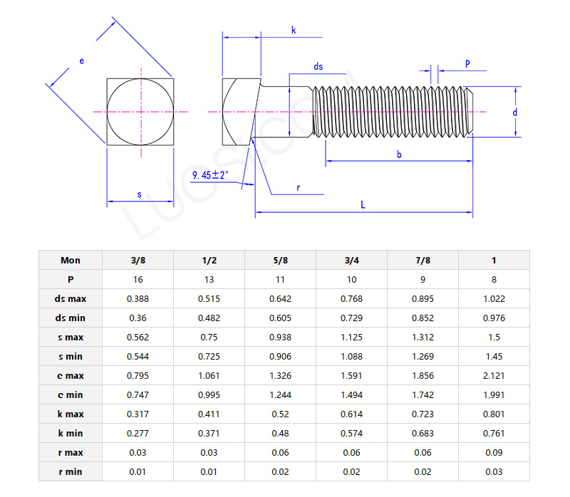
      మోడల్:ASME/ANSI B18.2.1-4-2012

      విచారణ పంపండి

      ఉత్పత్తి వివరణ

      వాలుగా ఉన్న హెడ్ బోల్ట్ అనేది చదరపు తల మరియు ప్రత్యేకమైన మరియు లక్షణమైన ఆకారంతో కూడిన ప్రత్యేక బోల్ట్.

      వర్గీకరణ

      సైజు వర్గీకరణ: విభిన్న థ్రెడ్ వ్యాసాలు మరియు పొడవులకు అనుగుణంగా M3, M4, M5, మొదలైన పరిమాణం ప్రకారం వాలుగా ఉన్న హెడ్ బోల్ట్‌లను వేర్వేరు స్పెసిఫికేషన్లుగా విభజించవచ్చు.

      మెటీరియల్ వర్గీకరణ: వేర్వేరు వినియోగ వాతావరణం ప్రకారం,వాలుగా ఉన్న తల బోల్ట్‌లుకార్బన్ స్టీల్ మరియు స్టెయిన్లెస్ స్టీల్ రెండు రకాలుగా విభజించవచ్చు. కార్బన్ స్టీల్ పదార్థం అధిక బలాన్ని కలిగి ఉంటుంది, కానీ తుప్పు నిరోధకత కాదు; స్టెయిన్లెస్ స్టీల్ మంచి తుప్పు నిరోధకతను కలిగి ఉంది.

      ఖచ్చితత్వం గ్రేడ్ వర్గీకరణ: వాలుగా ఉన్న హెడ్ బోల్ట్‌ల యొక్క ఖచ్చితత్వ గ్రేడ్‌ను సాధారణ గ్రేడ్‌గా విభజించి అధునాతనంగా చేయవచ్చు. సాధారణ గ్రేడ్ థ్రెడ్ టాలరెన్స్ పరిధి పెద్దది, సాధారణ సందర్భాలకు అనుకూలంగా ఉంటుంది; అధునాతన థ్రెడ్ టాలరెన్స్‌లు చిన్నవి మరియు మరింత ఖచ్చితమైనవి, ఖచ్చితమైన అనువర్తనాలకు అనువైనవి.

      అప్లికేషన్ దృశ్యాలు మరియు సంస్థాపనా పద్ధతులు

      యాంత్రిక తయారీ: యాంత్రిక పరికరాలు, యంత్ర సాధనాలు, ప్రసార పరికరాలు మొదలైన యాంత్రిక తయారీ రంగంలో వాలుగా ఉన్న తల బోల్ట్‌లను విస్తృతంగా ఉపయోగిస్తారు.

      నిర్మాణ పరిశ్రమ: నిర్మాణ రంగంలో, కిరణాలు, ప్లేట్లు, నిలువు వరుసలు మొదలైన వివిధ భాగాలను పరిష్కరించడానికి వాలుగా ఉన్న హెడ్ బోల్ట్‌లు తరచుగా ఉపయోగించబడతాయి.

      ఆటోమొబైల్ తయారీ: ఆటోమొబైల్ తయారీ ప్రక్రియలో,వాలుగా ఉన్న తల బోల్ట్‌లుఇంజన్లు, గేర్‌బాక్స్‌లు మొదలైన ఆటో భాగాలను పరిష్కరించడానికి ఉపయోగిస్తారు.


      oblique head bolt

      ఉపయోగం ముందు, సున్నితమైన సంస్థాపనను నిర్ధారించడానికి థ్రెడ్ భాగం శుభ్రంగా మరియు మలినాలు లేకుండా ఉండేలా చూసుకోవాలి. లక్ష్య థ్రెడ్ రంధ్రంతో వాలుగా ఉన్న హెడ్ బోల్ట్‌లను సమలేఖనం చేసి, బోల్ట్ రంధ్రంతో సమలేఖనం చేయబడిందని నిర్ధారించుకోండి. తగిన రెంచ్ లేదా స్క్రూడ్రైవర్‌ను ఉపయోగించడం, బోల్ట్‌లను కదిలించే వరకు బోల్ట్‌లను సున్నితంగా బిగించండి. బోల్ట్‌లు బిగించినా దాన్ని తనిఖీ చేయండి. బిగించే టార్క్ అవసరమైన టార్క్ చేరుకోకపోతే, బోల్ట్‌లను బిగించండి.వాలుగా ఉన్న తల బోల్ట్‌లుమరియు కనెక్ట్ చేసే అన్ని భాగాలు సురక్షితమైనవి మరియు స్థిరంగా ఉన్నాయని నిర్ధారించుకోండి.

      oblique head bolt

      oblique head bolt

      ఉత్పత్తి లక్షణాలు మరియు ప్రమాణాలు

      యొక్క లక్షణాలువాలుగా ఉన్న తల బోల్ట్‌లుM8 నుండి M64 వరకు వైవిధ్యమైనవి, మరియు పొడవు పదిలక్షల నుండి మిల్లీమీటర్ల నుండి అనేక మీటర్ల వరకు మారుతుంది. మార్కెట్లో సాధారణ స్పెసిఫికేషన్లలో 4.8 మరియు 8.8 ఉన్నాయి, వినియోగదారులు నిర్దిష్ట అవసరాలకు అనుగుణంగా సరైన స్పెసిఫికేషన్స్ మరియు గ్రేడ్‌లను ఎంచుకోవచ్చు, ఈ బోల్ట్‌లను ప్రత్యేక అనువర్తన దృశ్యాలను తీర్చడానికి వివిధ ఆకారపు భాగాల అవసరాలకు అనుగుణంగా కూడా అనుకూలీకరించవచ్చు.

      మార్కెట్

      మార్కెట్
      ఆదాయం (మునుపటి సంవత్సరం)
      మొత్తం ఆదాయం (%)
      ఉత్తర అమెరికా
      గోప్యంగా
      20
      దక్షిణ అమెరికా
      గోప్యంగా
      4
      తూర్పు ఐరోపా
      గోప్యంగా
      24
      ఆగ్నేయాసియా
      గోప్యంగా
      2
      ఆఫ్రికా
      గోప్యంగా
      2
      ఓషియానియా
      గోప్యంగా
      1
      మిడ్ ఈస్ట్
      గోప్యంగా
      4
      తూర్పు ఆసియా
      గోప్యంగా
      13
      పశ్చిమ ఐరోపా
      గోప్యంగా
      18
      మధ్య అమెరికా
      గోప్యంగా
      6
      ఉత్తర ఐరోపా
      గోప్యంగా
      2
      దక్షిణ ఐరోపా
      గోప్యంగా
      1
      దక్షిణ ఆసియా
      గోప్యంగా
      4
      దేశీయ మార్కెట్
      గోప్యంగా
      5


      హాట్ ట్యాగ్‌లు: వాలుగా ఉన్న హెడ్ బోల్ట్, చైనా, తయారీదారు, సరఫరాదారు, ఫ్యాక్టరీ
      సంబంధిత వర్గం
      విచారణ పంపండి
      దయచేసి దిగువ ఫారమ్‌లో మీ విచారణను ఇవ్వడానికి సంకోచించకండి. మేము మీకు 24 గంటల్లో ప్రత్యుత్తరం ఇస్తాము.
      X
      We use cookies to offer you a better browsing experience, analyze site traffic and personalize content. By using this site, you agree to our use of cookies. Privacy Policy
      Reject Accept