టి హెడ్ యాంకర్ బోల్ట్ మందపాటి టి-ఆకారపు బ్లాక్ నిర్మాణాన్ని కలిగి ఉంది. రాడ్ బాడీ స్ట్రెయిట్ సిలిండర్. ఒక చివర T- ఆకారపు తలకి అనుసంధానించబడి ఉంది, మరియు మరొక చివర బాహ్య థ్రెడ్తో ప్రాసెస్ చేయబడుతుంది మరియు నిర్దిష్ట T- ఆకారపు గాడిలో పొందుపరచవచ్చు.
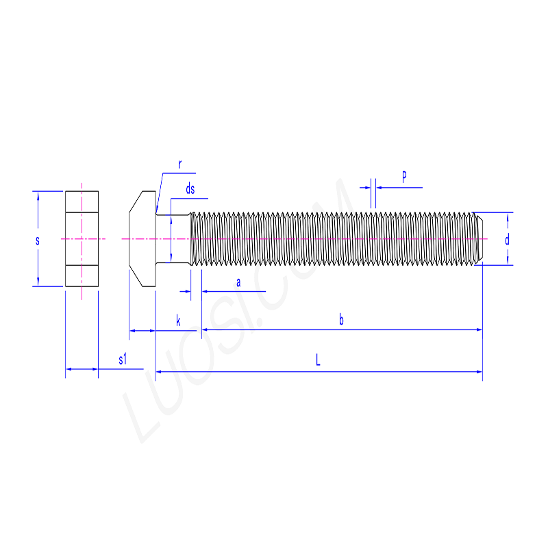
| సోమ | M24 | M30 | 
| P | 3 | 3.5 | 
| ds | 20 | 26 | 
| గరిష్టంగా | 12 | 15 | 
| k | 15 | 19 | 
| s | 43 | 54 | 
| ఎస్ 1 | 24 | 30 | 
| r | 2 | 2 | 
	
టి యాంకర్ బోల్ట్ ప్రధానంగా రైల్వే కాంక్రీట్ స్లీపర్లకు ట్రాక్ను పరిష్కరించడానికి ఉపయోగిస్తారు. ఫ్లాట్ "టి" -షేప్ చేసిన భాగం బోల్ట్ తిప్పకుండా నిరోధించడానికి స్లీపర్ యొక్క గాడిలో గట్టిగా పొందుపరచబడింది. థ్రెడ్ చేసిన ముగింపు పైకి పొడుచుకు వస్తుంది మరియు రైల్ ప్యాడ్ మరియు బందు బిగింపును పరిష్కరించడానికి ఉపయోగిస్తారు. రైలు వైబ్రేటింగ్ మరియు లోడ్ కదలకుండా నిరోధించడానికి ఇది అన్ని భాగాలను గట్టిగా లాక్ చేస్తుంది.
టి హెడ్ యాంకర్ బోల్ట్ యొక్క తల ప్రధానంగా భ్రమణాన్ని నివారించడానికి పనిచేస్తుంది. ఇది స్లీపర్ యొక్క గాడిలో పరిష్కరించబడిన తర్వాత, అది తిప్పదు. ట్రాక్ పైన ఉన్న గింజలను బిగించేటప్పుడు ఇది చాలా ముఖ్యమైనది, ఎందుకంటే ఏదైనా భ్రమణం కనెక్షన్ బలాన్ని బలహీనపరుస్తుంది. ఇది స్థిరమైన టార్క్ మరియు హోల్డింగ్ శక్తిని నిర్ధారిస్తుంది.
టి యాంకర్ బోల్ట్ షట్కోణ హెడ్ యాంకర్ బోల్ట్ నుండి భిన్నంగా ఉంటుంది. యాంకర్ బోల్ట్ స్థానంలో స్థిరపడిన తర్వాత, అది ఇకపై తిరగదు. ఇది భౌతికంగా స్లీపర్లో పొందుపరచబడింది. షట్కోణ హెడ్ యాంకర్ బోల్ట్లు స్లీపర్ యొక్క ఉపరితలంతో ఘర్షణపై ఆధారపడతాయి. సున్నా స్థానభ్రంశం అవసరమయ్యే క్లిష్టమైన ట్రాక్ యాంకరింగ్ కోసం, దాని నమ్మదగిన మెకానికల్ లాకింగ్ చాలా ముఖ్యమైనది.
టి హెడ్ యాంకర్ బోల్ట్ కోసం, సంస్థాపనా పదార్థంలో ముఖ్యంగా పెద్ద మరియు సంక్లిష్టమైన రంధ్రాలను త్రవ్వవలసిన అవసరం లేదు. తగిన చిన్న రంధ్రం తయారు చేసి, బోల్ట్ను చొప్పించండి మరియు దీనిని చాలా గట్టిగా పరిష్కరించవచ్చు. ఇది మంచి ఫిక్సింగ్ ప్రభావాన్ని కలిగి ఉంది మరియు గొప్ప తన్యత మరియు సంపీడన శక్తులను తట్టుకోగలదు. అధిక ఫిక్సింగ్ బలం అవసరమయ్యే అనేక ప్రదేశాలలో దీనిని ఉపయోగించుకోవచ్చు.
	