ఫాస్టెనర్ కోసం షోల్డర్ టైప్ ఐ బోల్ట్ గ్రేడ్లు బలం మరియు మెటీరియల్ ప్రమాణాల ద్వారా నిర్వచించబడతాయి, సురక్షితమైన ట్రైనింగ్కు కీలకం. సాధారణ గ్రేడ్లలో కార్బన్ స్టీల్ వేరియంట్ల కోసం 4.8, 8.8, 10.9 మరియు 12.9 ఉన్నాయి-అధిక సంఖ్యలు అంటే ఎక్కువ తన్యత బలం. గ్రేడ్ 4.8 హోమ్ DIY వంటి లైట్-డ్యూటీ పనులకు సరిపోతుంది, అయితే 8.8 సాధారణ పారిశ్రామిక ఉపయోగం కోసం పనిచేస్తుంది. అధిక-బలం 10.9 మరియు 12.9 గ్రేడ్లు నిర్మాణం లేదా యంత్రాలలో భారీ లోడ్లను నిర్వహిస్తాయి.
స్టెయిన్లెస్ స్టీల్ వెర్షన్లు తరచుగా A4 (316) లేదా A2 (304) గ్రేడ్లను అనుసరిస్తాయి, సముద్ర/రసాయన వాతావరణాలకు తుప్పు నిరోధకతకు ప్రాధాన్యత ఇస్తాయి. ఫోర్జ్డ్ అల్లాయ్ స్టీల్ గ్రేడ్లు విపరీతమైన ట్రైనింగ్ కోసం అత్యుత్తమ మన్నికను అందిస్తాయి. ప్రతి గ్రేడ్ లోడ్ రేటింగ్లతో గుర్తించబడింది, ఉద్దేశించిన అప్లికేషన్లతో అనుకూలతను మరియు భద్రతా సమ్మతిని నిర్ధారిస్తుంది.
షోల్డర్ టైప్ ఐ బోల్ట్ కోసం నాణ్యత నియంత్రణ అంటే అది సురక్షితంగా ఉందని మరియు సరిగ్గా పని చేస్తుందని నిర్ధారించుకోవడానికి క్షుణ్ణంగా తనిఖీలు చేయడం. ఈ ప్రక్రియలో సాధారణంగా మెటీరియల్ గ్రేడ్ సరైనదని నిర్ధారించుకోవడం, థ్రెడ్లు ఖచ్చితంగా ఉన్నాయో లేదో తనిఖీ చేయడం మరియు వర్కింగ్ లోడ్ లిమిట్ (WLL)ని నిర్ధారించడానికి లోడ్ పరీక్షలను అమలు చేయడం వంటివి ఉంటాయి. కొలతలు DIN లేదా ISO వంటి ప్రమాణాలకు సరిపోతాయో లేదో కూడా వారు తనిఖీ చేస్తారు. ప్రతి బ్యాచ్ కంటి బోల్ట్లు గుర్తించదగినవిగా ఉండాలి మరియు మీరు దీన్ని ఎలా ఉపయోగించబోతున్నారనే దాని కోసం ఇది అవసరాలకు అనుగుణంగా ఉందని నిరూపించడానికి మీరు ధృవీకరణను పొందుతారు.

ప్రశ్న: నేను షోల్డర్ టైప్ ఐ బోల్ట్ను ఎలా సరిగ్గా ఇన్స్టాల్ చేయాలి? ప్రామాణిక బోల్ట్ కోసం, దాన్ని నేరుగా ట్యాప్ చేసిన రంధ్రంలోకి స్క్రూ చేయండి-కంటి భుజం ఉపరితలాన్ని తాకినట్లు నిర్ధారించుకోండి. ఒక కోణంలో లాగడం వలన దాని సురక్షితమైన పని భారం పూర్తిగా తగ్గిపోతుంది మరియు అది ప్రమాదకరమైనది.

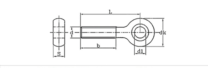
మి.మీ
థ్రెడ్ వ్యాసం
d1
dk
s
M6
5
10.5
5.4
M8
6
13
7
M10
8
16
8.5
M12
10
19
10.5
M14
10
22
12