ఒక స్క్రూస్ ఐబోల్ట్లో థ్రెడ్ రాడ్ మరియు రింగ్ హెడ్ ఉన్నాయి. గింజలు లేదా థ్రెడ్ రంధ్రాలతో గట్టిగా సరిపోయేలా థ్రెడ్లు ఖచ్చితంగా కత్తిరించబడతాయి. రింగ్ హెడ్ భారీ లాగడం నిర్వహించడానికి నిర్మించబడింది, ఇది లోడ్లను ఎత్తివేయడానికి లేదా భద్రపరచడానికి నమ్మదగినదిగా చేస్తుంది.
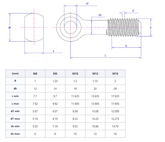
ఉత్పత్తి వివరాలు మరియు పారామితులు
ప్రతి స్క్రూల ఐబోల్ట్ మూడు ప్రధాన దశల ద్వారా తయారు చేయబడుతుంది: వేడిచేసిన మెటల్ షేపింగ్ (ఫోర్జింగ్), ఖచ్చితమైన స్క్రూ థ్రెడ్లను కత్తిరించడం మరియు తుది పూత/చికిత్స. ఈ దశలు కొలతలు, బలం అవసరాలు మరియు ఉపరితల నాణ్యత కోసం QC 190 - 2012 నియమాలకు సరిపోతాయి. ఫాన్సీ ఎక్స్ట్రాలు లేవు - కఠినమైన అవసరాలకు వ్యతిరేకంగా తనిఖీ చేయబడిన సూటిగా ప్రక్రియలు. ప్రమాణం అవి ఎంత పెద్దవిగా ఉంటాయో, విచ్ఛిన్నం చేయకుండా వారు ఎంత బరువు కలిగి ఉండాలి మరియు తుప్పు లేదా కఠినమైన మచ్చలు లేవని నిర్ధారించుకోండి. సాధారణంగా, ఒక కనుబొమ్మ కర్మాగారాన్ని విడిచిపెడితే, స్క్రూల ఐబోల్ట్ను కొట్టడం, యంత్రాలు, పూర్తి చేయడం మరియు ఉద్దేశించిన విధంగా పని చేయడానికి పరీక్షించడం.

అసెంబ్లీ సమయంలో ఇంజన్లు మరియు గేర్బాక్స్లను ఎత్తడానికి కారు కర్మాగారాల్లో స్క్రూస్ కనుబొమ్మలను ఉపయోగిస్తారు. నిర్మాణ సైట్లలో, అవి స్టీల్ కిరణాలు లేదా కాంక్రీట్ స్లాబ్స్ వంటి భారీ వస్తువులను ఎగురవేయడానికి సహాయపడతాయి. సాధారణ డిజైన్, రోజువారీ భారీ లిఫ్టింగ్కు తగినంత కఠినమైనది.
మార్కెట్ పంపిణీ
| మార్కెట్ | ఆదాయం (మునుపటి సంవత్సరం) | మొత్తం ఆదాయం (%) |
| ఉత్తర అమెరికా | గోప్యంగా | 23 |
| దక్షిణ అమెరికా | గోప్యంగా | 6 |
| తూర్పు ఐరోపా | గోప్యంగా | 15 |
| ఆగ్నేయాసియా | గోప్యంగా | 3 |
| ఓషియానియా | గోప్యంగా | 3 |
| మిడ్ ఈస్ట్ | గోప్యంగా | 2 |
| తూర్పు ఆసియా | గోప్యంగా | 18 |
| పశ్చిమ ఐరోపా | గోప్యంగా | 12 |
| మధ్య అమెరికా | గోప్యంగా | 5 |
| దక్షిణ ఆసియా | గోప్యంగా | 6 |
దేశీయ మార్కెట్ | గోప్యంగా | 7 |
ఉత్పత్తి యొక్క ఉపయోగం
స్క్రూస్ ఐబోల్ట్ యొక్క ముఖ్య ఉద్దేశ్యం భారీ వస్తువుల యొక్క సురక్షితమైన లిఫ్టింగ్ మరియు స్థిరమైన కనెక్షన్ను సాధించడం. పారిశ్రామిక ఉత్పత్తిలో, పెద్ద యాంత్రిక భాగాలను అసెంబ్లీ లేదా నిర్వహణ కోసం నియమించబడిన ప్రదేశాలకు ఎత్తడానికి ఇది ఉపయోగించబడుతుంది; నిర్మాణ ప్రదేశాలలో, నిర్మాణ అంతస్తుకు వివిధ నిర్మాణ సామగ్రిని ఖచ్చితంగా ఎత్తడానికి ఇది ఉపయోగించబడుతుంది. రోజువారీ జీవితంలో, ఫర్నిచర్ మరియు పరికరాలు వంటి భారీ వస్తువులను ఎత్తడానికి కూడా దీనిని ఉపయోగించవచ్చు. క్రేన్ల వంటి లిఫ్టింగ్ పరికరాలతో సహకరించడం ద్వారా, భారీ వస్తువుల స్థానభ్రంశం సాధించడానికి స్క్రూస్ ఐబోల్ట్ ఒక కీ కనెక్టర్గా మారుతుంది.