హోమ్ > ఉత్పత్తులు > గింజ > హ్యాండ్ స్క్రూ ది నట్ > కాలర్ రోలింగ్ నట్‌తో గుండ్రని గుబ్బలు
      కాలర్ రోలింగ్ నట్‌తో గుండ్రని గుబ్బలు
      • కాలర్ రోలింగ్ నట్‌తో గుండ్రని గుబ్బలుకాలర్ రోలింగ్ నట్‌తో గుండ్రని గుబ్బలు
      • కాలర్ రోలింగ్ నట్‌తో గుండ్రని గుబ్బలుకాలర్ రోలింగ్ నట్‌తో గుండ్రని గుబ్బలు

      కాలర్ రోలింగ్ నట్‌తో గుండ్రని గుబ్బలు

      ఖచ్చితమైన లీనియర్ మోషన్ కోసం, కాలర్ రోలింగ్ నట్‌తో XIAO GUO యొక్క అధునాతన రౌండ్ నాబ్‌లను ఎంచుకోండి. బాల్ స్క్రూల కోసం రూపొందించబడింది, ఇది మృదువైన, అధిక-సామర్థ్య కదలికను నిర్ధారిస్తుంది, CNC మరియు ఆటోమేషన్ సిస్టమ్‌ల కోసం కాలర్ రోలింగ్ నట్ సరఫరాదారుతో మమ్మల్ని విశ్వసనీయ చైనా రౌండ్ నాబ్‌లుగా చేస్తుంది.

      విచారణ పంపండి

      ఉత్పత్తి వివరణ

      ముందుగా, కాలర్ రోలింగ్ నట్ పరిమాణంతో రౌండ్ నాబ్‌లకు సరిపోయే షీట్ మెటల్‌లో రంధ్రం వేయండి. రంధ్రం చాలా పెద్దదిగా చేయవద్దు-లేకపోతే, అది సరిగ్గా లాక్ చేయబడదు. రంధ్రంలో మిగిలి ఉన్న ఏదైనా మెటల్ షేవింగ్‌లను శుభ్రం చేయండి; అవి ఇన్‌స్టాలేషన్‌కు అడ్డుగా ఉండవచ్చు.

      అప్పుడు గింజను ముందుగా డ్రిల్లింగ్ చేసిన రంధ్రంలో ఉంచండి, అది షీట్‌కు వ్యతిరేకంగా ఫ్లాట్‌గా ఉండేలా చూసుకోండి. గింజ పైభాగానికి సరిపోయే డైతో ప్రామాణిక ప్రెస్ సాధనాన్ని ఉపయోగించండి. సాధనానికి స్థిరంగా, ఒత్తిడిని కూడా వర్తింపజేయండి-ఇది లాక్ చేయబడినప్పుడు మీరు కొంచెం "క్లిక్" అనుభూతి చెందుతారు. ఇది సురక్షితంగా ఉందని నిర్ధారించుకోవడానికి 1-2 సెకన్ల పాటు ఒత్తిడిని పట్టుకోండి.

      సుత్తి దెబ్బలను ఉపయోగించడం మానుకోండి; ఇది గింజను వంచవచ్చు లేదా షీట్ మెటల్‌ను దెబ్బతీస్తుంది. ఇది సన్నని నుండి మధ్యస్థ షీట్ మెటల్ (0.5-2 మిమీ మందం) పై ఉత్తమంగా పనిచేస్తుంది. వ్యవస్థాపించిన తర్వాత, మీరు గింజ స్పిన్నింగ్ లేకుండా సాఫీగా బోల్ట్‌లో స్క్రూ చేయవచ్చు. కాలర్ రోలింగ్ నట్‌తో రౌండ్ నాబ్‌లు ప్రారంభకులకు కూడా ఉపయోగించడం సులభం, సంక్లిష్టమైన నైపుణ్యాలు అవసరం లేదు.

      ఉత్పత్తి ప్యాకేజింగ్

      గింజలను సురక్షితంగా ఉంచడానికి మేము సరళమైన, ఆచరణాత్మక ప్యాకేజింగ్‌ని ఉపయోగిస్తాము. చిన్న ఆర్డర్‌లు లేదా నమూనాల కోసం, అవి స్పష్టమైన ప్లాస్టిక్ బ్యాగ్‌లలో ప్యాక్ చేయబడతాయి-సాధారణంగా ఒక్కో బ్యాగ్‌కు 100 లేదా 200 ముక్కలు. ప్రతి బ్యాగ్ పరిమాణం, మెటీరియల్ మరియు బ్యాచ్ నంబర్‌తో కూడిన ప్రాథమిక లేబుల్‌ను కలిగి ఉంటుంది, కాబట్టి మీకు కావాల్సిన వాటిని సులభంగా కనుగొనవచ్చు.

      బల్క్ ఆర్డర్‌లు దృఢమైన కార్టన్‌లలోకి వెళ్తాయి. గింజ పరిమాణంపై ఆధారపడి, ప్రతి కార్టన్ 5000 నుండి 10000 ముక్కలను కలిగి ఉంటుంది. షిప్పింగ్ సమయంలో వాటిని గోకడం లేదా కదలకుండా ఆపడానికి మేము లోపల నురుగు లేదా బబుల్ ర్యాప్‌ను ఉంచాము. అట్టపెట్టెలు "పొడిగా ఉంచు" లేదా "భారీ వస్తువులను పేర్చకుండా" వంటి హ్యాండ్లింగ్ కోసం స్పష్టమైన గుర్తులను కలిగి ఉంటాయి.

      మీకు కస్టమ్ ప్యాకేజింగ్ కావాలంటే—బ్యాగ్‌లపై మీ లోగో లేదా ఒక్కో ప్యాక్‌కు నిర్దిష్ట పరిమాణం వంటివి—ఆర్డర్ చేసేటప్పుడు మాకు తెలియజేయండి. అదనపు ఫ్యాన్సీ అంశాలు లేవు, నిల్వ మరియు షిప్పింగ్ కోసం ఏది పని చేస్తుంది. ఇది చాలా చిన్న వర్క్‌షాప్‌లు, పెద్ద ఫ్యాక్టరీలు లేదా DIY వినియోగదారుల అవసరాలకు సరిపోయే ఈ ప్రామాణిక ఎంపికలలో వస్తుంది.

      Round Knobs With Collar Rolling Nut

      Q&A సెషన్

      కాలర్ రోలింగ్ నట్‌తో రౌండ్ నాబ్‌లకు ఏ మందం షీట్ మెటల్ అనుకూలంగా ఉంటుంది?  

      A:ఇది 0.5mm నుండి 2.5mm వరకు మందంతో సన్నని నుండి మధ్యస్థ షీట్ మెటల్‌పై ఉత్తమంగా పనిచేస్తుంది. చాలా మందపాటి మెటల్ దానిని సరిగ్గా లాక్ చేయనివ్వదు మరియు ఇన్‌స్టాలేషన్ సమయంలో చాలా సన్నగా మారవచ్చు. కోల్డ్ రోల్డ్ స్టీల్, అల్యూమినియం మరియు స్టెయిన్‌లెస్ స్టీల్ షీట్‌లు వంటి సాధారణ పదార్థాలు అన్నీ సరే. ముందుగా డ్రిల్ చేసిన రంధ్రం పరిమాణం గింజ యొక్క బయటి వ్యాసంతో సరిపోలుతుందని నిర్ధారించుకోండి-మీకు సూచన కోసం అవసరమైతే మేము పరిమాణ చార్ట్‌ను అందిస్తాము.  

      Round Knobs With Collar Rolling Nut

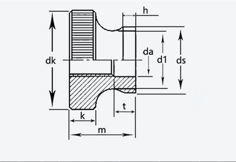
      పరిమాణం పిచ్ బయటి వ్యాసం ఎత్తు k ds డా d1 T h
      గరిష్టంగా నిమి గరిష్టంగా నిమి గరిష్టంగా నిమి గరిష్టంగా నిమి గరిష్టంగా
      M3 0.5  11  10.7  6.64  2.8  5.7  3.5  3.2  5.2  1.2 
      M4 0.7  12  11.7  7.64  7.64  4.5  4.2  6.4  2.5  1.5 
      M5 0.8  16  15.7  10  96.6  10  9.64  5.5  5.5 
      M6 20  19.7  12  11.6  12  11.6  6.56  6.2  11  2.5 
      M8 1.25  24  23.7  16  15.6  16  15.6  8.86  8.5  13 
      M10 1.5 30 29.7 20 19.5 8 20 19.5 10.9 10.5 17.2 6.5 3.8
      హాట్ ట్యాగ్‌లు: కాలర్ రోలింగ్ నట్‌తో రౌండ్ నాబ్‌లు, చైనా, తయారీదారు, సరఫరాదారు, ఫ్యాక్టరీ
      సంబంధిత వర్గం
      విచారణ పంపండి
      దయచేసి దిగువ ఫారమ్‌లో మీ విచారణను ఇవ్వడానికి సంకోచించకండి. మేము మీకు 24 గంటల్లో ప్రత్యుత్తరం ఇస్తాము.
      X
      We use cookies to offer you a better browsing experience, analyze site traffic and personalize content. By using this site, you agree to our use of cookies. Privacy Policy
      Reject Accept