ప్లాస్టిక్ విస్తరిస్తున్న రివెట్ క్లిప్ల యొక్క సహజ లక్షణాలు ప్రత్యేక, నిర్దిష్ట ఉపయోగాలకు మంచివి. ఇది విద్యుత్తును నిర్వహించనందున, ఎలక్ట్రికల్ బాక్సులలో మరియు అధిక-వోల్టేజ్ ప్రాంతాలలో ఇది చాలా ముఖ్యమైనది. ఇది స్పార్క్లను తయారు చేయదు, ఇది పేలుళ్లు జరిగే ప్రదేశాలలో (ATEX జోన్లు) నిజంగా అవసరం.
MRI గదులు మరియు సున్నితమైన ఎలక్ట్రానిక్స్, మెటల్ పిన్స్ నుండి చిన్న అయస్కాంత క్షేత్రాలు కూడా అనుమతించబడని ప్రదేశాలలో కూడా మీరు దీన్ని లేకుండా చేయలేరు.

మంచి ప్లాస్టిక్ విస్తరిస్తున్న రివెట్ క్లిప్లు స్థిరంగా పనిచేస్తాయని నిర్ధారించుకోవడానికి కఠినమైన పరీక్షల ద్వారా వెళుతుంది. ఈ పరీక్షలు సైజు ఖచ్చితత్వం, ఎంత లాగవచ్చు, హిట్లను ఎంత బాగా హ్యాండిల్ చేస్తుంది మరియు వివిధ రసాయనాలతో పనిచేస్తుందా వంటి అంశాలను తనిఖీ చేస్తుంది.
Xiaoguo® యొక్క ప్లాస్టిక్ కాటర్ పిన్లు పరిశ్రమ ప్రమాణాలకు అనుగుణంగా నిర్దేశిత అవసరాలకు అనుగుణంగా, పనితీరును నిర్ధారిస్తాయి. వారు తమ ఉద్దేశించిన ప్రయోజనం కోసం వస్తువులను సురక్షితంగా మరియు సురక్షితంగా ఉంచుతారు. మెటల్ కాటర్ పిన్స్తో పోలిస్తే, ప్లాస్టిక్లు తుప్పు-నిరోధకత మరియు తుప్పు-నిరోధకత ఎక్కువగా ఉంటాయి.

సోమ
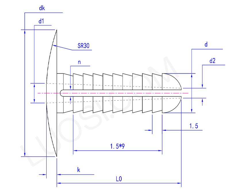
Φ6
Φ8
Φ10
d గరిష్టంగా
6
8
10
d నిమి
5.8
7.8
9.8
dk గరిష్టంగా
16.2
16.2
18.2
dk నిమి
15.8
15.8
17.8
k గరిష్టంగా
1.6
1.6
2.1
k నిమి
1.4
1.4
1.9
L0
20
20
22
d1
3
4
5
d2
1.5
2
3
n
1
1
1.5
మా ప్రామాణిక ప్లాస్టిక్ విస్తరించే రివెట్ క్లిప్లు RoHS మరియు REACHతో సహా ప్రధాన అంతర్జాతీయ నిబంధనలకు అనుగుణంగా ఉండే పదార్థాలతో తయారు చేయబడ్డాయి. మేము ఫుడ్ కాంటాక్ట్ అప్లికేషన్ల కోసం FDA-సర్టిఫైడ్ వెర్షన్లను కూడా అందిస్తాము. అభ్యర్థనపై సమ్మతి సర్టిఫికెట్లు అందుబాటులో ఉన్నాయి.
ఉత్పత్తి సమయంలో ప్రపంచ ప్రమాణాల ప్రకారం మా పదార్థాలు జాగ్రత్తగా ఎంపిక చేయబడతాయి, సంబంధిత నాణ్యతా ప్రమాణాలకు అనుగుణంగా ఉండేలా చూస్తాయి మరియు ప్రపంచవ్యాప్తంగా సురక్షితమైన ఎగుమతి మరియు విస్తృత వినియోగాన్ని నిర్ధారిస్తాయి.