హోమ్ > ఉత్పత్తులు > బోల్ట్ > రౌండ్ హెడ్ బోల్ట్ > అధిక కెపాసిటీ ఐ బోల్ట్
        అధిక కెపాసిటీ ఐ బోల్ట్
        • అధిక కెపాసిటీ ఐ బోల్ట్అధిక కెపాసిటీ ఐ బోల్ట్
        • అధిక కెపాసిటీ ఐ బోల్ట్అధిక కెపాసిటీ ఐ బోల్ట్

        అధిక కెపాసిటీ ఐ బోల్ట్

        అధిక కెపాసిటీ ఐ బోల్ట్ అధిక-బలం కలిగిన పదార్థాల నుండి ఖచ్చితత్వంతో తయారు చేయబడ్డాయి, బలమైన లోడ్-బేరింగ్ సామర్థ్యాన్ని కలిగి ఉంటాయి. Xiaoguo యొక్క అధిక-లోడ్-బేరింగ్ ఐ బోల్ట్‌లు అంతర్జాతీయ భద్రతా ప్రమాణాలకు అనుగుణంగా ఉంటాయి మరియు భారీ పరికరాలను ఎత్తడం, ఇంజనీరింగ్ ఇన్‌స్టాలేషన్ మరియు ఇతర దృశ్యాలకు అనుకూలంగా ఉంటాయి. Xiaoguo ప్రతి ఉత్పత్తి కఠినమైన భద్రతా ప్రమాణాలకు అనుగుణంగా ఉందని నిర్ధారిస్తుంది.

        విచారణ పంపండి

        ఉత్పత్తి వివరణ

        మీరు అధిక కెపాసిటీ ఐ బోల్ట్‌ని ఉపయోగించడం గురించి ఆలోచించే ముందు, దాన్ని బాగా పరిశీలించండి. పగుళ్లు, వంపులు వంటి ఏదైనా స్పష్టమైన నష్టం కోసం తనిఖీ చేయండి లేదా అన్నింటినీ అరిగిపోయినట్లయితే. అలాగే, దానిపై స్టాంప్ చేయబడిన మొత్తం సమాచారం, ముఖ్యంగా వర్కింగ్ లోడ్ లిమిట్ (WLL) స్పష్టంగా మరియు సులభంగా చదవగలిగేలా చూసుకోండి. మీరు సరిగ్గా చూడలేకపోతే, దాన్ని దాటవేసి మరొకదాన్ని పట్టుకోవడం మంచిది.

        మీరు దానిని ఉంచినప్పుడు, భుజం భాగం పూర్తిగా ఫ్లాట్‌గా కూర్చుని ఉపరితలంపై సుఖంగా ఉండే వరకు దాన్ని రంధ్రంలోకి స్క్రూ చేయండి. బలవంతం చేయడానికి ఎప్పుడూ సుత్తిని ఉపయోగించవద్దు - అది విషయాలను గందరగోళానికి గురి చేస్తుంది. బిగుతుగా మరియు సురక్షితంగా ఉండటానికి రెంచ్ వంటి సరైన సాధనాన్ని ఉపయోగించండి.

        మీరు లోడ్‌ను ఎలా వర్తింపజేయాలి అనే దాని గురించి, ఎల్లప్పుడూ బోల్ట్ యొక్క కంటికి అనుగుణంగా ఉంచండి. ఎప్పుడూ పక్కకు లేదా కొన్ని విచిత్రమైన కోణంలో లాగవద్దు, ఎందుకంటే అది విఫలమవుతుంది. మీరు నేరుగా పైకి లేని లిఫ్ట్‌ల కోసం షోల్డర్ ఐ బోల్ట్‌ని ఉపయోగిస్తుంటే, కోణాన్ని 45 డిగ్రీల కంటే తక్కువగా ఉంచండి మరియు గుర్తుంచుకోండి, మీరు కోణాన్ని లెక్కించడానికి WLLని తగ్గించాలి. ఇది ఓవర్‌లోడింగ్‌ను నివారించడంలో సహాయపడుతుంది మరియు మీరు పని చేస్తున్నప్పుడు ప్రతిదీ సురక్షితంగా ఉంచుతుంది.

        ఉత్పత్తి ప్యాకేజింగ్

        మీరు హార్డ్‌వేర్ స్టోర్ నుండి ఒక చిన్న హై కెపాసిటీ ఐ బోల్ట్ సెట్‌ని తీసుకుంటే, అవి బహుశా సాధారణ కార్డ్‌బోర్డ్ బాక్స్‌లో వస్తాయి. కానీ మీరు పెద్ద ఉద్యోగం కోసం లేదా పారిశ్రామిక అవసరాల కోసం పెద్దమొత్తంలో ఆర్డర్ చేస్తుంటే, అప్పుడే పరిస్థితులు మారుతాయి. అవి తరచుగా హెవీ-డ్యూటీ కాగితపు డబ్బాలలో సురక్షితంగా ప్యాక్ చేయబడతాయి, ఆపై వాటిని పేర్చబడి చెక్క ప్యాలెట్లపై కట్టివేస్తారు. ఈ ప్యాలెటైజింగ్ చాలా ప్రామాణికమైనది ఎందుకంటే ఇది షిప్పింగ్ మరియు హ్యాండ్లింగ్‌ను మరింత స్థిరంగా మరియు పాల్గొన్న ప్రతి ఒక్కరికీ సురక్షితంగా చేస్తుంది.

        మీరు వాటిని వ్యక్తిగతంగా లేదా సమూహాలలో ప్యాక్ చేయడాన్ని చూడగలిగే మరొక సాధారణ మార్గం, ముందుగా స్పష్టమైన ప్లాస్టిక్ పాలీ బ్యాగ్‌ల లోపల. ఈ సంచులు తేమ మరియు ధూళిని ఉంచడానికి గొప్పవి. అప్పుడు, ఆ సంచులు రవాణా సమయంలో అదనపు రక్షణ పొర కోసం బలమైన బయటి పేపర్ కార్టన్‌లో ఉంచబడతాయి. నిజాయితీగా, ఈ ప్యాకేజింగ్ యొక్క ప్రధాన అంశం ఫాన్సీగా ఉండకూడదు; ఇది కేవలం ఆచరణాత్మకమైనది. కంటి బోల్ట్‌లను మీకు షిప్పింగ్ చేస్తున్నప్పుడు లేదా స్టోరేజ్‌లో కూర్చున్నప్పుడు వాటిని కొట్టడం, తుప్పు పట్టడం లేదా పాడైపోకుండా రక్షించడం మాత్రమే దీని పని.

        Q&A సెషన్

        ప్రశ్న: రెగ్యులర్ మరియు షోల్డర్ ప్యాటర్న్ హై కెపాసిటీ ఐ బోల్ట్ మధ్య తేడా ఏమిటి?షోల్డర్ ప్యాటర్న్ బోల్ట్ కంటి కింద పెద్ద బేరింగ్ ఉపరితలం కలిగి ఉంటుంది, కాబట్టి ఇది లోడ్‌ను మెరుగ్గా వ్యాపిస్తుంది. ఇది బలమైనది మరియు మీరు దీన్ని యాంగిల్ లిఫ్ట్‌ల కోసం ఉపయోగించాలి-సాధారణ రకం కాకుండా నేరుగా నిలువు లోడ్‌ల కోసం మాత్రమే పని చేస్తుంది.

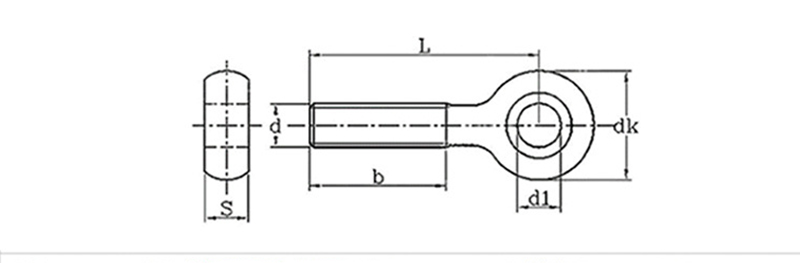
        High Capacity Eye Bolt

        మి.మీ
        థ్రెడ్ వ్యాసం
        d1
        dk
        s
        M6
        5 10.5 5.4
        M8

        6

        13 7
        M10
        8 16 8.5
        M12
        10 19 10.5
        M14
        10 22 12


        హాట్ ట్యాగ్‌లు: అధిక కెపాసిటీ ఐ బోల్ట్
        సంబంధిత వర్గం
        విచారణ పంపండి
        దయచేసి దిగువ ఫారమ్‌లో మీ విచారణను ఇవ్వడానికి సంకోచించకండి. మేము మీకు 24 గంటల్లో ప్రత్యుత్తరం ఇస్తాము.
        X
        మీకు మెరుగైన బ్రౌజింగ్ అనుభవాన్ని అందించడానికి, సైట్ ట్రాఫిక్‌ను విశ్లేషించడానికి మరియు కంటెంట్‌ను వ్యక్తిగతీకరించడానికి మేము కుక్కీలను ఉపయోగిస్తాము. ఈ సైట్‌ని ఉపయోగించడం ద్వారా, మీరు మా కుక్కీల వినియోగానికి అంగీకరిస్తున్నారు. గోప్యతా విధానం
        తిరస్కరించు అంగీకరించు