కార్బన్ స్టీల్ సీలింగ్ క్లిన్చింగ్ గింజలు సన్నని ప్లేట్లు లేదా షీట్ లోహాలను కనెక్ట్ చేయడానికి ఉపయోగించే ఒక రకమైన ఫాస్టెనర్. అవి కార్బన్ స్టీల్తో తయారవుతాయి, కాఠిన్యాన్ని పెంచడానికి స్వభావం మరియు చల్లార్చబడతాయి మరియు ఉపరితలం గాల్వనైజ్ చేయబడింది లేదా తుప్పు-నిరోధకతను కలిగి ఉంటుంది.
సీలింగ్ క్లిన్చింగ్ గింజ చాలా సూటిగా ఉంటుంది, మీరు ప్రామాణిక న్యూమాటిక్ లేదా హైడ్రాలిక్ క్లిన్చింగ్ సాధనాలను ఉపయోగించవచ్చు. ఇది ఎలా పనిచేస్తుందో ఇక్కడ ఉంది: మొదట, గింజను ముందే పంచ్ చేసిన రంధ్రంలో ఉంచండి, ఆపై ఒత్తిడిని వర్తింపజేయడానికి పంచ్ మరియు డై సెట్ను ఉపయోగించండి. డై గింజ యొక్క క్లిన్చ్ కాలర్ చుట్టూ షీట్ మెటల్ను నొక్కి, ఒక శీఘ్ర దశలో ఘన యాంత్రిక తాళాన్ని ఏర్పరుస్తుంది.
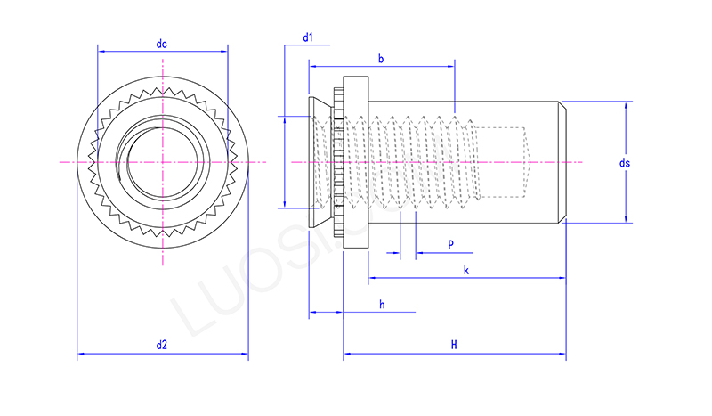
| సోమ | M3-1 | M3-2 | M4-1 | M4-2 | M5-1 | M5-2 | M6-1 | M6-2 |
| P | 0.5 | 0.5 | 0.7 | 0.7 | 0.8 | 0.8 | 1 | 1 |
| DS మాక్స్ | 3.84 | 3.84 | 5.2 | 5.2 | 6.35 | 6.35 | 8.75 | 8.75 |
| DC మాక్స్ | 4.2 | 4.2 | 5.38 | 5.38 | 6.33 | 6.33 | 8.73 | 8.73 |
| బి నిమి | 5.3 | 5.3 | 7.1 | 7.1 | 7.1 | 7.1 | 7.8 | 7.8 |
| H గరిష్టంగా | 0.91 | 1.38 | 0.97 | 1.38 | 0.97 | 1.38 | 1.38 | 1.38 |
| H గరిష్టంగా | 9.85 | 9.85 | 11.45 | 11.45 | 11.45 | 11.45 | 14.55 | 14.55 |
| H నిమి | 9.35 | 9.35 | 10.95 | 10.95 | 10.95 | 10.95 | 14.05 | 14.05 |
| కె మాక్స్ | 8.5 | 8.5 | 9.8 | 9.8 | 9.8 | 9.8 | 12.7 | 12.7 |
| D2 గరిష్టంగా | 6.6 | 6.6 | 8.2 | 8.2 | 9 | 9 | 11.35 | 11.35 |
| D2 నిమి | 6.1 | 6.1 | 7.7 | 7.7 | 8.5 | 8.5 | 10.85 | 10.85 |
| డి 1 | M3 | M3 | M4 | M4 | M5 | M5 | M6 | M6 |
కార్బన్ స్టీల్ సీలింగ్ క్లిన్చింగ్ గింజలు కీ కొలతల ద్వారా నిర్వచించబడతాయి: థ్రెడ్ పరిమాణం (M4, M5, M6, లేదా 1/4 "-20 వంటివి), క్లింక్ కాలర్ వ్యాసం, మొత్తం ఎత్తు, సీలింగ్ వాషర్ కొలతలు మరియు అవి పనిచేసే షీట్ మందం పరిధి (నిమిషం మరియు గరిష్టంగా). మీరు వాటిని ప్రామాణిక మెట్రిక్ లేదా ఇంపీరియల్ థ్రెడ్లలో పొందవచ్చు.
వారి క్లిన్చ్ బలం (వారు బయటకు నెట్టబడటం లేదా వక్రీకరించబడటం ఎంతవరకు ప్రతిఘటించారు) పరిశ్రమ ప్రమాణాలకు వ్యతిరేకంగా పరీక్షించబడుతుంది (ISO, DIN, IFI థింక్). సరైన పరిమాణాన్ని ఎంచుకోవడం పెద్ద విషయం, ఇది ముద్రను కలిగి ఉందని మరియు గింజ ఉద్యోగానికి బలంగా ఉందని నిర్ధారిస్తుంది.
కార్బన్ స్టీల్ సీలింగ్ క్లిన్చింగ్ గింజను వ్యవస్థాపించడానికి, మీకు ప్రత్యేకమైన క్లిన్చింగ్ సాధనం మరియు డై సెట్ అవసరం, ఇది గింజ యొక్క పరిమాణానికి సరిగ్గా సరిపోతుంది. మొదట, గింజను షీట్ మెటల్లో ముందే పంచ్ చేసిన రంధ్రంలో ఉంచండి. అప్పుడు సాధనం నియంత్రిత ఒత్తిడిని వర్తిస్తుంది, ఇది గింజ యొక్క పైలట్ మరియు నార్ల్ చుట్టుపక్కల లోహంలో మునిగిపోతుంది. ఈ కోల్డ్-ఫార్మింగ్ ప్రక్రియ స్టెయిన్లెస్ స్టీల్ గింజను మంచి కోసం లాక్ చేస్తుంది మరియు అదే సమయంలో, ఇది ప్యానెల్కు వ్యతిరేకంగా అంతర్నిర్మిత సీలింగ్ ఉతికే యంత్రాన్ని స్క్విష్ చేస్తుంది. ఈ గింజలను ప్రత్యేకంగా చేసే లీక్ ప్రూఫ్ ముద్రను ఇది సృష్టిస్తుంది.
