అధిక బలం ఫేస్ ప్రొజెక్షన్ వెల్డింగ్ బోల్ట్ అనేది మెటల్ షీట్లు లేదా నిర్మాణాలకు బలంగా మరియు సులభంగా కనెక్ట్ అవ్వడానికి తయారుచేసిన ఒక ప్రత్యేకమైన ఫాస్టెనర్. ఇది లోహాలను తాకిన వైపు అంచనాలు -సాధారణంగా రింగులు లేదా చిన్న గడ్డలు కలిగి ఉంటుంది మరియు ఇవి ఖచ్చితమైన పరిమాణాలకు తయారు చేయబడతాయి.
మీరు దానిని వెల్డ్ చేసినప్పుడు, చాలా ఎలక్ట్రికల్ కరెంట్ ఈ అంచనాలపై దృష్టి పెడుతుంది. అది అక్కడ ఉన్న లోహం నిజంగా వేడిగా, కరుగుతుంది, ఆపై అది చల్లబడినప్పుడు, అది బలమైన వెల్డ్ ఏర్పడుతుంది. ఈ వెల్డ్ మీరు పనిచేస్తున్న భాగానికి అధిక బలం ఫేస్ ప్రొజెక్షన్ వెల్డింగ్ బోల్ట్ను గట్టిగా కలిగి ఉంది.
అధిక బలం ఫేస్ ప్రొజెక్షన్ వెల్డింగ్ బోల్ట్ యొక్క ప్రధాన పని బరువు పట్టుకోగల శాశ్వత, థ్రెడ్-ఆధారిత అటాచ్మెంట్ పాయింట్ను సృష్టించడం. దాన్ని వెల్డ్ చేయడానికి మీకు ప్రత్యేక ప్రొజెక్షన్ వెల్డింగ్ పరికరాలు అవసరం.
ఎలక్ట్రోడ్లు క్రిందికి నొక్కండి మరియు బోల్ట్ యొక్క అంచనాలు మరియు మీరు పనిచేస్తున్న లోహ ముక్క ద్వారా చాలా విద్యుత్తును పంపుతాయి. వెల్డింగ్ బోల్ట్ చేసిన విధానం అంటే అంచనాలు మాత్రమే కరుగుతాయి -ఎక్కువ ఎక్కువ. అవి చల్లబడినప్పుడు, అవి బలమైన లోహ బంధాన్ని ఏర్పరుస్తాయి మరియు దాని చుట్టూ ఉన్న లోహం వంగి లేదా ఎక్కువ వార్పేడ్ చేయదు.
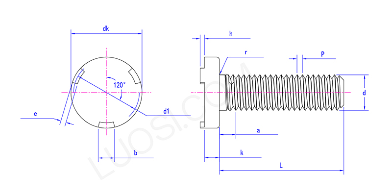
| సోమ | M5 | M6 | M8 | M10 |
| P | 0.8 | 1 | 1.25 | 5 |
| DK మాక్స్ | 12.4 | 14.4 | 16.4 | 20.4 |
| Dకె మిన్ | 11.6 | 13.6 | 15.6 | 19.6 |
| కె మాక్స్ | 2 | 2.2 | 3.2 | 4.2 |
| కె మిన్ | 1.6 | 1.8 | 3.2 | 4.2 |
| మరియు గరిష్టంగా | 2.25 | 2.75 | 2.25 | 2.75 |
| ఇ మిన్ | 1.75 | 2.25 | 1.75 | 2.25 |
| బి గరిష్టంగా | 3.3 | 4.3 | 5.3 | 6.3 |
| బి నిమి | 2.7 | 3.7 | 4.7 | 5.7 |
| H గరిష్టంగా | 0.8 | 0.9 | 1.1 | 1.3 |
| H నిమి | 0.6 | 0.75 | 0.9 | 1.1 |
| D1 గరిష్టంగా | 10 | 11.5 | 14 | 17.5 |
| డి 1 నిమి | 9 | 10.5 | 13 | 16.5 |
| R min | 0.2 | 0.25 | 0.4 | 0.4 |
| r మాక్స్ | 0.6 | 0.7 | 0.9 | 1.2 |
| గరిష్టంగా | 3.2 | 4 | 5 | 5 |

అధిక బలం ఫేస్ ప్రొజెక్షన్ వెల్డింగ్ బోల్ట్లో తక్కువ పెరిగిన భాగాలు ఉన్నాయి -సాధారణంగా రింగులు లేదా చిన్న డెంట్లు -వెల్డింగ్ వైపు. మీరు దానిని వెల్డ్ చేసినప్పుడు, చాలా విద్యుత్తు ఆ పెరిగిన భాగాలపై దృష్టి పెడుతుంది. అవి బేస్ మెటల్కు వ్యతిరేకంగా వెంటనే కరుగుతాయి, ఎలక్ట్రోడ్ క్రిందికి నొక్కినప్పుడు.
ఇది బోల్ట్ను బాగా ఉంచే బలమైన, గట్టి వెల్డ్స్ చేస్తుంది. షీట్ మెటల్ ఉద్యోగాల కోసం అవి గొప్పగా పనిచేస్తాయి.